Combinational Circuits in Digital Logic Design: Definition, Types, Examples & Comparison with Sequential Circuits

Learn combinational circuits in Digital Logic Design with clear definitions, differences from sequential circuits, types, explained diagrams, real-world applications, and step-by-step examples. Ideal for BS students.

Introduction

Digital systems are everywhere from smartphones and laptops to traffic lights and medical equipment. At the heart of these systems lie digital logic circuits, which process information in binary form (0s and 1s). Understanding these circuits is essential for students of Computer Science, Electrical Engineering, and Artificial Intelligence.

This lecture focuses on combinational circuits, their definition, working principle, types, and real-world usage. Before diving into combinational circuits, we first distinguish them clearly from sequential circuits, as both are fundamental pillars of digital logic design.

What Is a Digital Logic Circuit?

A digital logic circuit is an electronic circuit that processes digital signals using logic gates such as AND, OR, NOT, NAND, NOR, XOR, and XNOR. These circuits operate on binary inputs and generate binary outputs based on logical rules.

Digital logic circuits are divided into two major categories:

  1. Combinational Circuits
  2. Sequential Circuits

Difference Between Combinational and Sequential Circuits

Understanding this difference is critical before moving forward.

FeatureCombinational CircuitsSequential Circuits
Output depends onPresent input onlyPresent input + past output
MemoryNo memoryUses memory
FeedbackNo feedback pathFeedback present
Clock signalNot requiredUsually required
SpeedFasterSlower due to clock
ExamplesAdders, MUXFlip-flops, Counters
Simple Explanation
  • Combinational circuit: Like a calculator → press buttons, get result immediately
  • Sequential circuit: Like a stopwatch → output depends on previous state

Definition of Combinational Circuit

A combinational circuit is a type of digital circuit in which the output depends only on the current input values, without any memory or storage element.

Mathematically:
Output = f(Current Inputs)

There is no clock, no feedback, and no history dependency.

Key Characteristics of Combinational Circuits

  • No memory elements
  • No clock signal
  • Fast response
  • Easy to design
  • Output changes immediately with input
  • Built using logic gates only

Types of Combinational Circuits

Combinational circuits are classified based on their function:

  1. Arithmetic Circuits
  2. Data Routing Circuits
  3. Code Converter Circuits
  4. Comparator Circuits

Each type is explained below with two examples, step-by-step logic, and real-world usage.

1. Arithmetic Circuits

Arithmetic circuits perform mathematical operations such as addition and subtraction.

Example 1: Half Adder

A Half Adder adds two single-bit binary numbers.

Inputs: A, B
Outputs:

  • Sum = A ⊕ B
  • Carry = A · B
Step-by-Step Explanation
  • If A = 0, B = 0 → Sum = 0, Carry = 0
  • If A = 1, B = 0 → Sum = 1, Carry = 0
  • If A = 1, B = 1 → Sum = 0, Carry = 1
Real-World Use
  • Basic arithmetic units
  • Teaching foundation for addition logic
Example 2: Full Adder

A Full Adder adds three inputs: A, B, and Carry-in.

Outputs:

  • Sum = A ⊕ B ⊕ Cin
  • Carry = AB + ACin + BCin
Step-by-Step Framework
  1. Add A and B
  2. Add Carry-in
  3. Generate Sum and Carry
Real-World Use
  • CPUs
  • ALUs
  • Multi-bit adders

https://www.geeksforgeeks.org/combinational-circuits

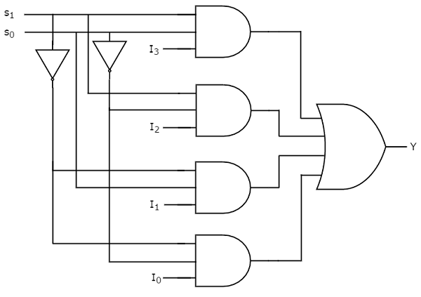
2. Data Routing Circuits

These circuits control data flow and selection.

Example 1: Multiplexer (MUX)

A Multiplexer selects one input from many and forwards it to the output.

Step-by-Step Working
  • Select lines decide which input is passed
  • Only one input is active at a time
Real-World Use
  • Communication systems
  • CPU instruction selection
  • Data buses
Example 2: Demultiplexer (DEMUX)

A Demultiplexer distributes one input to multiple outputs.

Real-World Use
  • Data distribution
  • Memory systems
  • Signal routing

3. Code Converter Circuits

Used to convert data from one format to another.

Example 1: Binary to Gray Code Converter
Why Gray Code?
  • Only one bit changes at a time
  • Reduces error in transitions
Real-World Use
  • Rotary encoders
  • Communication systems
Example 2: BCD to 7-Segment Decoder
Real-World Use
  • Digital clocks
  • Calculators
  • Display units

K-Map in Circuit Design & Logic Simplification

4. Comparator Circuits

Comparator circuits compare binary numbers.

Example 1: 1-Bit Comparator

Outputs indicate:

  • A > B
  • A < B
  • A = B
Example 2: 4-Bit Comparator

Real-World Use

  • CPUs
  • Sorting circuits
  • Control systems

Summary

Combinational circuits are the foundation of digital systems. They are fast, efficient, and easy to design because they depend only on current inputs. From simple adders to complex data routing systems, combinational circuits play a vital role in modern electronics.

Before moving to sequential circuits, mastering combinational logic is essential for:

  • CPU design
  • Embedded systems
  • AI hardware understanding

Leave a Reply

Your email address will not be published. Required fields are marked *